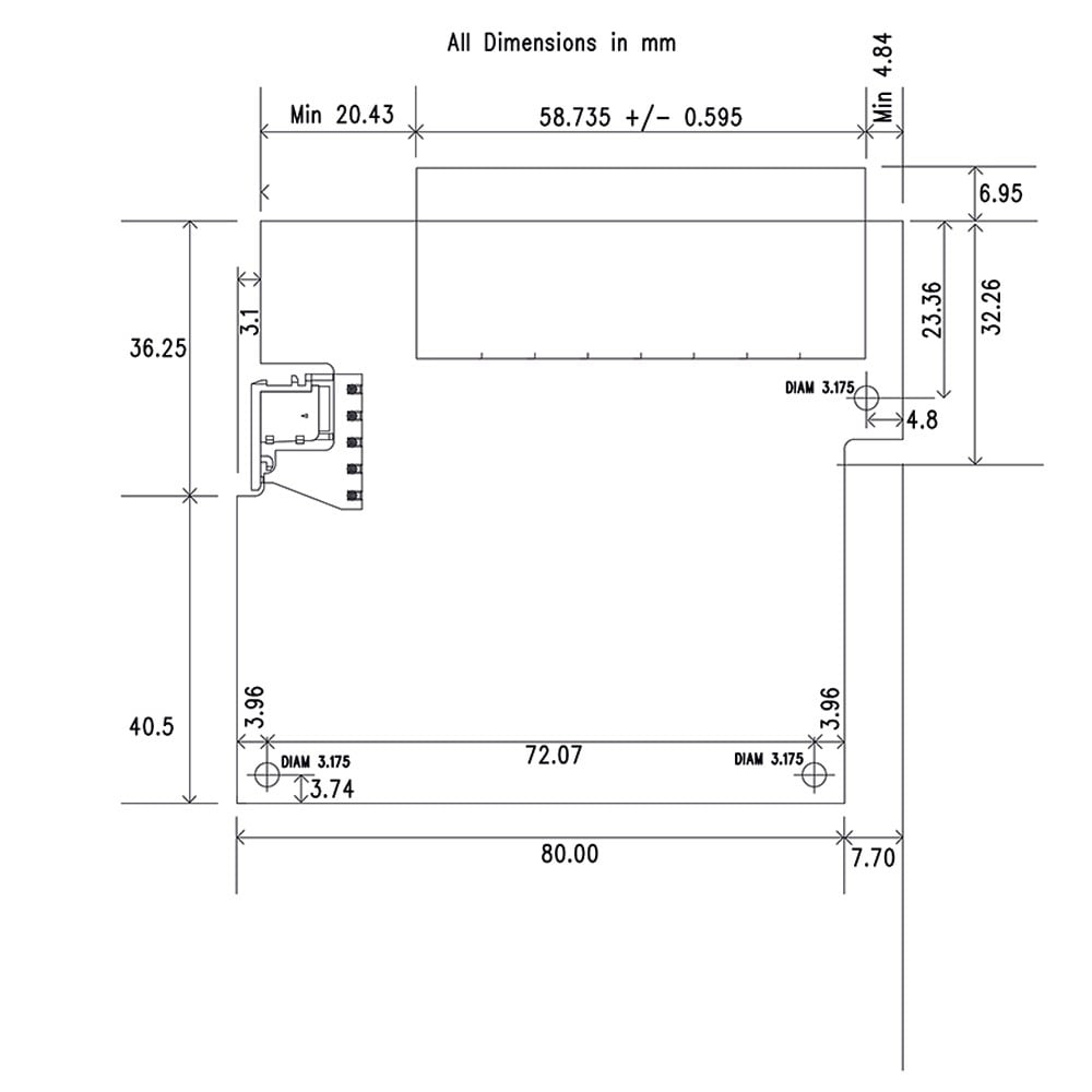
SW-104 Industrial Embeddable 4 Port Ethernet Switch
- 4x Port 10/100 Unmanaged Ethernet Switch
- Dual Redundant, Wide Power Input: +5 V to +30 VDC
- Low Power Consumption: 1.1 W Max
- Operating Temperature Rating: -40 °C to +80 °C /-40 °F to +176 °F
- Embeddable
SW-104 Description
Industrial Embedded Ethernet 4 Port unmanaged switch. Galvanically Isolated Ethernet brainboxes-ed-593-front-panel-ethernet-port-status-leds capable of 10/100 Mbps. Industrial temperature range of -40°C to +80°C (-40°F to 176°F) and dual input redundant power supply with wide voltage range means it can be powered from USB or on the 24V factory floor. Power terminal is removable with numbered pins for easy wiring. Power consumption is optimised based on the status of the link device. No software required. Ideal for embedded applications.
See other products the same category as SW-104: Industrial Ethernet Switches
Download SW-104 CAD 3D Model
Download3D Model
SW-104 Media
Related Products to SW-104 Industrial Ethernet Switches
-
SW-105
£58.85 Add to cart -
SW-108
£96.80 Add to cart -
SW-504
£56.09 Add to cart -
SW-115
£90.41 Add to cart























Site would not accept debit card